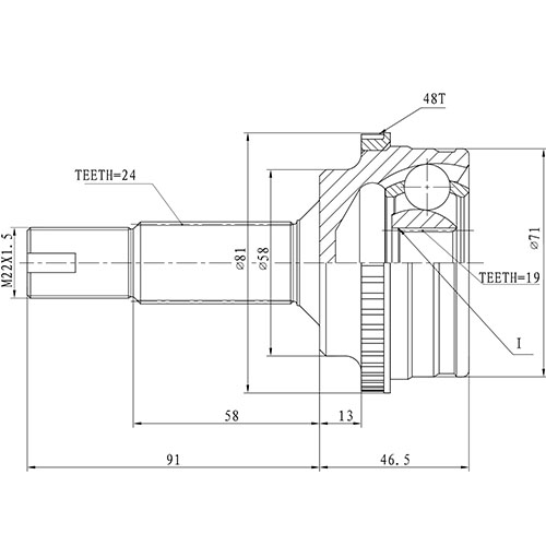
Z87037R — ZIKMAR — Шрус Наружный
Номер запчасти
Z87037R
Название
Шрус Наружный
Производитель
ZIKMAR
Нет в наличии
Примечание
Toyota Yaris (99--05)
Номера производителя (OE)
TOYOTA
43410-52110, 43420-52110, 43460-59085, 43470-59095, 43470-59245, 43470-59246, 43470-59495
| Модель | Двигатель | Мощность (л.с.) | Объем (см³) | Тип кузова | Производство |
|---|---|---|---|---|---|
| TOYOTA AYGO (WNB1_, KGB1_) | |||||
| 1.0 (KGB10) | 68 | 998 | Наклонная задняя часть | 07/2005 ‒ | |
| TOYOTA IST (NCP6_) | |||||
| 1.5 VVTi | 109 | 1497 | Наклонная задняя часть | 05/2004 ‒ 07/2007 | |
| TOYOTA PLATZ (NCP1_) | |||||
| 1.0 VVTi | 68 | 998 | седан | 04/1999 ‒ 08/2005 | |
| TOYOTA PROBOX/SUCCEED (_NLP5_, _NCP5_) | |||||
| 1.5 VVTi Hybrid | 92 | 1497 | универсал | 07/2002 ‒ | |
| TOYOTA WILL Vi (NCP19_) | |||||
| 1.3 | 87 | 1298 | седан | 01/2000 ‒ 12/2001 | |
| TOYOTA YARIS (SCP1_, NLP1_, NCP1_) | |||||
| 1.0 16V | 68 | 998 | Наклонная задняя часть | 04/1999 ‒ 09/2005 | |
| 1.0 16V | 65 | 998 | Наклонная задняя часть | 03/2003 ‒ 09/2005 | |
| 1.3 16V | 86 | 1299 | Наклонная задняя часть | 11/1999 ‒ 09/2005 | |
| 1.4 D-4D | 75 | 1364 | Наклонная задняя часть | 12/2001 ‒ 09/2005 | |
| 1.5 TS | 105 | 1497 | Наклонная задняя часть | 01/2003 ‒ 09/2005 | |
| 1.5 VVT-i TS | 106 | 1497 | Наклонная задняя часть | 04/2001 ‒ 09/2005 | |
| 1.5 VVT-i TS | 150 | 1497 | Наклонная задняя часть | 03/2003 ‒ 07/2005 | |
| TOYOTA YARIS VERSO (_NLP2_, _NCP2_) | |||||
| 1.5 (NCP21) | 106 | 1497 | вэн | 03/2000 ‒ 09/2005 | |