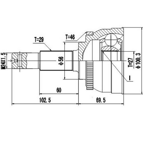
Z87128R — ZIKMAR — Шрус Наружный
Номер запчасти
Z87128R
Название
Шрус Наружный
Производитель
ZIKMAR
Нет в наличии
Примечание
Nissan Maxima, Cefiro A32 (94--00)
Номера производителя (OE)
NISSAN
39100-2Y016, 39100-2Y115, 39100-31U10, 39100-32U15, 39100-32U16, 39101-2Y010, 39101-2Y016, 39101-2Y115, 39101-2Y116, 39101-31U10, 39101-32U15, 39101-32U16, 39211-2Y010, 39211-31U00, 39211-31U10
| Модель | Двигатель | Мощность (л.с.) | Объем (см³) | Тип кузова | Производство |
|---|---|---|---|---|---|
| NISSAN CEFIRO I седан (J31) | |||||
| 2.0 | 140 | 1995 | седан | 01/2000 ‒ | |
| 3.0 | 200 | 2988 | седан | 01/2000 ‒ | |
| NISSAN CEFIRO седан | |||||
| 2.0 | 140 | 1995 | седан | 10/1994 ‒ 12/1999 | |
| 2.5 | 190 | 2496 | седан | 10/1994 ‒ 12/1999 | |
| 3.0 | 193 | 2988 | седан | 10/1994 ‒ 12/1999 | |
| NISSAN MAXIMA QX (A32) | |||||
| 2.0 | 140 | 1995 | седан | 02/1995 ‒ 08/2000 | |
| 2.5 V6 24V | 190 | 2496 | седан | 02/1995 ‒ 08/2000 | |
| 3.0 | 193 | 2988 | седан | 01/1995 ‒ 08/2000 | |
| NISSAN MAXIMA QX (A33) | |||||
| 2.0 V6 24V | 140 | 1995 | седан | 03/2000 ‒ 11/2003 | |
| 2.5 V6 24V | 209 | 2496 | седан | 03/2000 ‒ 11/2003 | |
| 3.0 V6 24V | 200 | 2988 | седан | 03/2000 ‒ 11/2003 | |
| NISSAN MAXIMA Station Wagon | |||||
| 2.0 QX | 140 | 1995 | универсал | 10/1997 ‒ | |
| 2.5 V6 24V | 190 | 2496 | универсал | 10/1997 ‒ | |
| 3.0 QX | 193 | 2988 | универсал | 10/1997 ‒ | |