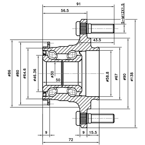
Z89282R — ZIKMAR — Ступица задняя
Номер запчасти
Z89282R
Название
Ступица задняя
Производитель
ZIKMAR
Нет в наличии
Примечание
Mitsubishi Lancer (02--06), Outlander (03--06)
Номера производителя (OE)
MITSUBISHI
MR 527453
| Модель | Двигатель | Мощность (л.с.) | Объем (см³) | Тип кузова | Производство |
|---|---|---|---|---|---|
| MITSUBISHI AIRTREK I (CU_W) | |||||
| 2.0 (CU2W) | 136 | 1997 | вездеход закрытый | 05/2003 ‒ 10/2006 | |
| 2.0 4WD (CU2W) | 126 | 1997 | вездеход закрытый | 05/2003 ‒ 10/2006 | |
| MITSUBISHI LANCER универсал (CS_W) | |||||
| 1.6 | 98 | 1584 | универсал | 09/2003 ‒ 10/2008 | |
| 2.0 | 135 | 1997 | универсал | 09/2003 ‒ 12/2007 | |
| 2.0 | 125 | 1999 | универсал | 08/2005 ‒ 10/2008 | |
| 2.4 GDI | 133 | 2350 | универсал | 09/2003 ‒ 10/2008 | |